

船用法蘭鑄鋼直通型舷側截止止回閥
GB/T1853-1994船用法蘭鑄鋼舷側截止止回閥 Marine flanged cast steel over board stop check valves 性能規范 Technical Data A、AS型船用法蘭鑄鋼直通型舷側 截止止回閥 性能規范 公稱壓力 Nominal Pressure (MPa) 公稱通徑 Nominal Diameter (mm) 適用介質...
產品型號:GB/T1853-1994
產品口徑(DN):40~350(mm)
產品壓力(PN):0.6Mpa(Mpa)
更新日期:2016-04-16
免費詢價
24小時免費咨詢電話021-80392609
- 產品詳情
GB/T1853-1994船用法蘭鑄鋼舷側截止止回閥
Marine flanged cast steel over board stop check valves
性能規范 Technical Data
主要零部件材質Materials of Main Parts
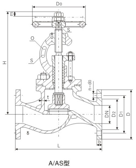
AS型船用法蘭鑄鋼直通型舷側截止止回閥型基本尺寸Dimensions
Marine flanged cast steel over board stop check valves
性能規范 Technical Data
|
公稱壓力 Nominal Pressure (MPa) |
公稱通徑 Nominal Diameter (mm) |
適用介質 Applicable medium |
|---|---|---|
| 0.6 | 40-350 |
海水、淡水 Sea water.Fresh water |
主要零部件材質Materials of Main Parts
|
零件名稱 Parts name |
材料 Material |
|
|---|---|---|
|
名稱 Name |
牌號 Marks |
|
|
閥體、閥蓋 Body、Cover |
鑄鋼 Cast steel |
ZG230-450 |
|
閥盤、閥座 Disc、Seat |
鑄錫青銅 Cast Tin Bronze |
ZCuAI9Mn2 |
|
閥桿 Stem |
銘音銅 Aluminum Bronze |
CuAI9Mn2 |
基本尺寸Dimensions

A型船用法蘭鑄鋼直通型舷側截止止回閥基本尺寸Dimensions
|
公稱通徑 DN (mm) |
結構尺寸 Structure Dimension |
壁厚 Thickness t |
法蘭 Flange |
螺栓 Bolt |
手輪 Hand wheel |
升程 Lift Range m |
參考重量 Weight (kg) |
|||||||
|---|---|---|---|---|---|---|---|---|---|---|---|---|---|---|
| L | H≈ | |||||||||||||
| A型 | A型 | D | D1 | D2 | do | b | n個 | Th. | Do | S | A型 | |||
| 40 | 200 | 300 | 6 | 125 | 93 | 74 | 15 | 13 | 6 | M14 | 120 | 11 | 12 | 7.8 |
| 50 | 230 | 318 | 7 | 135 | 103 | 84 | 15 | 13 | 6 | M14 | 140 | 12 | 15 | 10.8 |
| 65 | 290 | 348 | 7 | 155 | 123 | 104 | 15 | 14 | 6 | M14 | 140 | 12 | 19 | 16.3 |
| 80 | 310 | 390 | 7 | 170 | 138 | 118 | 15 | 14 | 8 | M14 | 160 | 14 | 23 | 21.6 |
| 100 | 350 | 414 | 8 | 190 | 158 | 138 | 15 | 14 | 8 | M14 | 180 | 14 | 28 | 29.7 |
| 125 | 400 | 466 | 8 | 215 | 183 | 164 | 16 | 14 | 10 | M14 | 200 | 17 | 35 | 39.8 |
| 150 | 480 | 528 | 9 | 240 | 208 | 190 | 16 | 14 | 12 | M14 | 200 | 17 | 42 | 54.8 |
| 200 | 600 | 736 | 10 | 295 | 264 | 247 | 16 | 15 | 12 | M14 | 280 | 22 | 55 | 89.0 |
| 250 | 730 | 858 | 11 | 365 | 327 | 306 | 18 | 16 | 14 | M16 | 320 | 27 | 65 | 139.4 |
| 300 | 850 | 1015 | 12 | 430 | 386 | 360 | 22 | 19 | 14 | M20 | 400 | 27 | 80 | 192.6 |
| 350 | 980 | 1065 | 12 | 480 | 436 | 410 | 22 | 28 | 16 | M20 | 450 | 32 | 100 | 230.9 |
AS型船用法蘭鑄鋼直通型舷側截止止回閥型基本尺寸Dimensions
|
公稱通徑 DN (mm) |
結構尺寸 Structure Dimension |
壁厚 Thickness t |
法蘭 Flange |
螺栓 Bolt |
手輪 Hand wheel |
升程 Lift Range m |
參考重量 Weight (kg) |
|||||||
|---|---|---|---|---|---|---|---|---|---|---|---|---|---|---|
| L | H≈ | |||||||||||||
| AS型 | AS型 | D | D1 | D2 | do | b | n個 | Th. | Do | S | AS型 | |||
| 40 | 200 | 300 | 6 | 130 | 100 | 80 | 14 | 16 | 4 | M12 | 120 | 11 | 12 | 8.2 |
| 50 | 230 | 318 | 7 | 140 | 110 | 90 | 14 | 16 | 4 | M12 | 140 | 12 | 15 | 12.8 |
| 65 | 290 | 348 | 7 | 160 | 130 | 110 | 14 | 16 | 4 | M12 | 140 | 12 | 19 | 19.5 |
| 80 | 310 | 390 | 7 | 190 | 150 | 128 | 18 | 18 | 4 | M16 | 160 | 14 | 23 | 24.9 |
| 100 | 350 | 414 | 8 | 210 | 170 | 148 | 18 | 18 | 4 | M16 | 180 | 14 | 28 | 32.65 |
| 125 | 400 | 466 | 8 | 240 | 200 | 178 | 18 | 20 | 8 | M16 | 200 | 17 | 35 | 45.8 |
| 150 | 480 | 528 | 9 | 265 | 225 | 202 | 18 | 20 | 8 | M16 | 200 | 17 | 42 | 59.8 |
| 200 | 600 | 736 | 10 | 320 | 280 | 258 | 18 | 22 | 8 | M16 | 280 | 22 | 55 | 97.1 |
| 250 | 730 | 858 | 11 | 375 | 335 | 316 | 18 | 24 | 12 | M16 | 320 | 27 | 65 | 148.4 |
| 300 | 850 | 1015 | 12 | 440 | 395 | 365 | 22 | 24 | 12 | M20 | 400 | 27 | 80 | 201.7 |
| 350 | 980 | 1065 | 12 | 490 | 445 | 415 | 22 | 24 | 12 | M20 | 450 | 32 | 100 | 239.9 |
聲明:本文中所有文字、數據、圖片均只適用于參考,船用法蘭鑄鋼直通型舷側截止止回閥性能參數、結構尺寸參數、價格等詳情,請聯系我們,電話:021-80392609。
-

GB/T596-1983船用外螺紋青銅截止止回閥
GB/T596-1983船用外螺紋青銅截止止回閥 Marine bronze male thread stop check valve ...
-

GB/1241-1983船用外螺紋鍛鋼截止止回閥
GB/1241-1983船用外螺紋鍛鋼截止止回閥 Marine forged steel male thread stop check ...
-

船用法蘭鑄鐵單排吸入截止閥箱、截止止回閥箱
GB/T1854-1993船用法蘭鑄鐵單排吸入截止閥箱 Marine flanged cast Iron single arrang...
-

船用法蘭鑄鋼直角式舷側截止止回閥
GB/T1853-1994船用法蘭鑄鋼舷側截止止回閥 Marine flanged cast steel over board sto...


