

船用法蘭式直角型青銅止回閥
GB/T589-1993 船用法蘭青銅止回閥 Marine Bronze Flanged Check Valves 性能規范 Technical Data B、BS船用法蘭式直角型青銅 止回閥 性能規范 公稱壓力 Nominal Pressure(MPa) 公稱通徑 Nominal Diameter(mm) 適用介質 Applicable Medium 0.6 15-125 淡水、海...
- 產品詳情
GB/T589-1993船用法蘭青銅止回閥
Marine Bronze Flanged Check Valves
性能規范 Technical Data
主要零部件材質Materials of Main Parts
Marine Bronze Flanged Check Valves
性能規范 Technical Data
|
公稱壓力 Nominal Pressure(MPa) |
公稱通徑 Nominal Diameter(mm) |
適用介質 Applicable Medium |
|---|---|---|
| 0.6 | 15-125 |
淡水、海水、滑油、燃油和t≤250℃蒸汽 sea water,Fresh water,Lubricanting oil,Fuel oil,t≤250℃steam |
| 1.0 | 65-125 | |
| 1.6 | 65-125 | |
| 2.5 | 15-100 |
主要零部件材質Materials of Main Parts
| 零件名稱Parts Name | 材料 Material | |
| 名稱Name | 牌號Marks | |
| 閥體、閥蓋、閥盤Body、Cover、Disc | 鑄錫青銅 Cast Tin Bronze | ZCuSn10Zn2,ZCuSn5Pb5Zn5 |
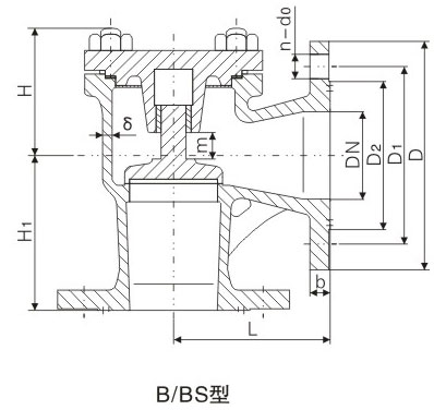
基本尺寸Dimensions

|
公稱壓力 PN(Mpa) |
公稱通徑 DN(mm) |
結構尺寸 Structure Dimension |
壁厚 Thickness δ |
法蘭 Flange |
螺栓 Bolt |
升程 Lift Range m |
參考重量 Weight(kg) |
|||||||
|---|---|---|---|---|---|---|---|---|---|---|---|---|---|---|
| L | H≈ | H1 | ||||||||||||
| B型 | B型 | B型 | D | D1 | D2 | do | b | n個 | Th. | B型 | ||||
| 1.0 | 65 | 115 | 94 | 115 | 6 | 155 | 123 | 104 | 15 | 14 | 6 | M14 | 19 | 11.3 |
| 80 | 125 | 104 | 125 | 6 | 170 | 138 | 118 | 15 | 14 | 8 | M14 | 23 | 14.3 | |
| 100 | 150 | 117 | 135 | 6 | 190 | 158 | 138 | 15 | 14 | 8 | M14 | 28 | 22.7 | |
| 125 | 175 | 129 | 155 | 7 | 215 | 183 | 164 | 15 | 14 | 10 | M14 | 35 | 30.4 | |
| 1.6 | 125 | 175 | 143 | 155 | 7 | 225 | 187 | 168 | 17 | 17 | 10 | M16 | 35 | 40.0 |
| 2.5 | 20 | 75 | 66 | 75 | 5 | 95 | 68 | 48 | 13 | 12 | 4 | M12 | 6 | 3.5 |
| 25 | 80 | 67 | 80 | 5 | 105 | 73 | 56 | 13 | 13 | 4 | M12 | 7 | 4.1 | |
| 32 | 85 | 68 | 85 | 5 | 115 | 83 | 64 | 15 | 13 | 6 | M14 | 9 | 4.8 | |
| 40 | 90 | 76 | 90 | 5 | 125 | 93 | 74 | 15 | 14 | 6 | M14 | 12 | 6.0 | |
| 50 | 95 | 85 | 95 | 6 | 135 | 103 | 84 | 15 | 14 | 6 | M14 | 15 | 8.2 | |
| 65 | 115 | 94 | 115 | 7 | 170 | 132 | 110 | 17 | 17 | 8 | M16 | 19 | 11.5 | |
| 80 | 125 | 110 | 125 | 8 | 185 | 147 | 126 | 17 | 19 | 8 | M16 | 23 | 17.3 | |
| 100 | 150 | 118 | 135 | 8 | 205 | 167 | 146 | 17 | 19 | 10 | M16 | 28 | 25.7 | |
|
公稱壓力 PN(Mpa) |
公稱通徑 DN(mm) |
結構尺寸 Structure Dimension |
壁厚 Thickness δ |
法蘭 Flange |
螺栓 Bolt |
升程 Lift Range m |
參考重量 Weight(kg) |
|||||||
|---|---|---|---|---|---|---|---|---|---|---|---|---|---|---|
| L | H≈ | H1 | ||||||||||||
| BS型 | BS型 | BS型 | D | D1 | D2 | do | b | n個 | Th. | BS型 | ||||
| 0.6 | 15 | 90 | 70 | 90 | 4 | 80 | 55 | 40 | 11 | 12 | 4 | M10 | 7 | 3.2 |
| 20 | 95 | 70 | 95 | 4 | 95 | 65 | 50 | 11 | 12 | 4 | M10 | 7 | 3.6 | |
| 25 | 100 | 70 | 100 | 4 | 100 | 75 | 60 | 11 | 14 | 4 | M10 | 7 | 4.0 | |
| 32 | 105 | 70 | 105 | 5 | 120 | 90 | 70 | 14 | 15 | 4 | M12 | 9 | 5.4 | |
| 40 | 115 | 77 | 115 | 5 | 130 | 100 | 80 | 14 | 16 | 4 | M12 | 12 | 6.8 | |
| 50 | 125 | 80 | 125 | 5 | 140 | 110 | 90 | 14 | 17 | 4 | M12 | 15 | 9.2 | |
| 65 | 145 | 89 | 145 | 6 | 160 | 130 | 110 | 14 | 17 | 4 | M12 | 19 | 12.2 | |
| 80 | 155 | 112 | 155 | 6 | 190 | 150 | 128 | 18 | 19 | 4 | M16 | 23 | 17.7 | |
| 100 | 175 | 113 | 175 | 6 | 210 | 170 | 148 | 18 | 20 | 4 | M16 | 28 | 23.8 | |
| 125 | 200 | 123 | 200 | 7 | 240 | 200 | 178 | 18 | 20 | 8 | M16 | 35 | 31.9 | |
| 1.6 | 65 | 145 | 97 | 145 | 6 | 185 | 145 | 122 | 18 | 17 | 4 | M16 | 19 | 14.4 |
| 80 | 155 | 117 | 155 | 6 | 200 | 160 | 133 | 18 | 19 | 4 | M16 | 23 | 20.8 | |
| 100 | 175 | 121 | 175 | 6 | 220 | 180 | 158 | 18 | 20 | 8 | M16 | 28 | 31.3 | |
| 125 | 200 | 129 | 200 | 7 | 250 | 210 | 184 | 18 | 22 | 8 | M16 | 35 | 37.2 | |
| 2.5 | 15 | 90 | 70 | 90 | 5 | 95 | 65 | 47 | 14 | 12 | 4 | M12 | 7 | 4.2 |
| 20 | 95 | 70 | 95 | 5 | 105 | 75 | 58 | 14 | 12 | 4 | M12 | 7 | 4.6 | |
| 25 | 100 | 70 | 100 | 5 | 115 | 85 | 68 | 18 | 14 | 4 | M12 | 7 | 5.4 | |
| 32 | 105 | 70 | 105 | 5 | 140 | 100 | 78 | 18 | 15 | 4 | M16 | 9 | 7.1 | |
| 40 | 115 | 77 | 115 | 5 | 150 | 110 | 88 | 18 | 16 | 4 | M16 | 12 | 8.7 | |
| 50 | 125 | 81 | 125 | 6 | 165 | 125 | 102 | 18 | 17 | 4 | M16 | 15 | 10.7 | |
| 65 | 145 | 97 | 145 | 7 | 185 | 145 | 122 | 18 | 17 | 8 | M16 | 19 | 14.7 | |
| 80 | 155 | 117 | 155 | 7 | 200 | 160 | 133 | 18 | 19 | 8 | M16 | 23 | 21.1 | |
| 100 | 175 | 121 | 175 | 8 | 235 | 190 | 158 | 22 | 20 | 8 | M20 | 28 | 31.8 | |
聲明:本文中所有文字、數據、圖片均只適用于參考,船用法蘭式直角型青銅止回閥性能參數、結構尺寸參數、價格等詳情,請聯系我們,電話:021-80392609。
-

GB/T597-1983船用外螺紋青銅止回閥
GB/T597-1983船用外螺紋青銅止回閥 Marine bronze male thread check valve 性能規范 ...
-

船用外螺紋直角型青銅止回閥
GB/T597-1983船用外螺紋青銅止回閥 Marine bronze male thread check valve 性能規范 ...
-

法蘭式鑄鐵直通型船用止回閥
GB/T592-1993船用法蘭鑄鐵止回閥 Marine cast Iron flanged check valves 性能規范 Te...
-

船用法蘭式直通型鑄鋼止回閥
GB/T586-1999船用法蘭鑄鋼止回閥 Marine Cast Steel Flanged Check Valves 性能規范 T...


