

D341H、D341W型法蘭通風蝶閥PN5~PN10
產品說明: D341H、D341W 型 法蘭通風 蝶閥 PN5~PN10主要應用在冶金、化工、建材、電站、玻璃等行業中的通風、環保工程的含塵冷風或熱風氣體管道中,作為氣體介質調節流量或切斷裝置。 產品特點: 1、采用中線式碟板與短結構鋼板焊接的新型結構形式設計制造的...
產品型號:D341H、D341W
產品口徑(DN):50~450(mm)
產品壓力(PN):0.5~1.0(Mpa)
更新日期:2015-05-22
24小時免費咨詢電話021-80392609
- 產品詳情
產品說明:
D341H、D341W 型 法蘭通風蝶閥PN5~PN10主要應用在冶金、化工、建材、電站、玻璃等行業中的通風、環保工程的含塵冷風或熱風氣體管道中,作為氣體介質調節流量或切斷裝置。產品特點:
1、采用中線式碟板與短結構鋼板焊接的新型結構形式設計制造的,結構緊湊、重量輕、便于安裝、流阻小、流通量大,避免高溫膨脹的影響,操作輕便;2、內無連桿、螺栓等、工作可靠、使用壽命長。可以多工位安裝,不受介質流向影響;
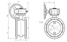
產品外形結構連接尺寸:
| 公稱通徑 | 主要外形尺寸和連接尺寸 | |||||||
| L | D1 | D | Z-d | H | H0 | A | B | |
| 50 | 108 | 110 | 140 | 4-14 | 70 | 215 | 270 | 65 |
| 65 | 112 | 130 | 160 | 4-14 | 80 | 235 | 270 | 65 |
| 80 | 124 | 150 | 190 | 4-18 | 95 | 263 | 270 | 65 |
| 100 | 127 | 170 | 210 | 4-18 | 105 | 283 | 270 | 65 |
| 125 | 140 | 200 | 240 | 8-18 | 120 | 313 | 310 | 65 |
| 150 | 140 | 225 | 265 | 8-18 | 132.5 | 338 | 310 | 65 |
| 200 | 152 | 280 | 320 | 8-18 | 160 | 493 | 365 | 90 |
| 250 | 165 | 335 | 375 | 12-18 | 187.5 | 550 | 365 | 90 |
| 300 | 178 | 395 | 440 | 12-22 | 220 | 615 | 365 | 90 |
| 350 | 190 | 445 | 490 | 12-22 | 245 | 678 | 365 | 90 |
| 400 | 216 | 495 | 540 | 16-22 | 270 | 727 | 365 | 90 |
| 450 | 222 | 550 | 595 | 16-22 | 297.5 | 782 | 365 | 90 |
產品結構尺寸圖:

安裝注事事項:
1、安裝前應核對蝶閥規格、壓力、溫度、耐腐性是否滿足使用要求。 應檢查各零部件是否損壞或松動。
2、本蝶閥可安裝在任意角度的管道上,應關閉安裝為宜;焊接管道法蘭時應將閥門密封口用板擋住以防止顆粒、雜物挫傷密封面,焊后取下 閥門,對閥門密封面及管道內腔進行清潔,然后再安裝固定閥門。
3、安裝時請注意閥門關閉狀態承壓方向。
4、安裝前應將密封面(兩端密封面、蝶板密封面、閥座密封面)徹底擦干凈,去掉灰塵和污物。
5、安裝前應空試蝶閥,啟閉應靈活,啟閉位置與指針指示位置相符合。
6、手動操作順時針為關,逆時針為開,指針指示到位后不準再加力啟閉閥門。
7、閥門做壓力試驗時,不準用單法蘭進行安裝試壓,采用雙法蘭安裝試壓。其試驗壓力應符合GB/T13927-92標準規定。
8、緊固螺栓時應對稱交替進行緊固,不準依次單獨緊固。
9、限位螺釘出廠前,已經調好,不準輕易調整。若配置驅動裝置為電動、氣動請閱配套驅動裝置說明書。
10、電動蝶閥出廠時已將控制機構的啟閉行程調好。為防止電源接通時方向搞錯,用戶在次接通電源前要先手動開啟到半開位置,再按點動開關,檢查指示盤方向與閥門開啟方向一致即可。
11、發現閥門啟閉失常應查明原因進行修理和排除,防止用加力方法開關閥門,造成閥門的損壞。

-

GID-50電動真空蝶閥
GID-50~400電動真空蝶閥 說明書資料介紹: GID-50~400電動真空蝶閥 : 別名真空蝶閥,閥...
-

D671F-10P氣動防爆不銹鋼蝶閥 耐腐蝕酸堿鹽對夾閥門
*** 滬工恒 公稱直徑 50cm 數量 480個 是否支持加工定制 否 是否進口 否 包裝規格 DN5...
-

Play 電動調節型快裝蝶閥 卡盤式食品衛生級開關型閥門
*** 滬工恒 公稱直徑 25cm 數量 300個 是否支持加工定制 是 是否進口 否 包裝規格 DN2...
-

GHQ971X 電動對夾式蝶閥 塑料智能型軟密封閥門
*** 滬工恒 公稱直徑 50cm 數量 500個 是否支持加工定制 是 是否進口 否 包裝規格 DN5...


