

D971X-10型電動開關對夾式蝶閥
產品概述 D971X-10型電動開關對夾式蝶閥是由角行程電動執行機構和蝶閥組成,開關型 電動蝶閥 是直接接通電源(AC220V或其他電源等級的電源)通過開關正、反導向來完成開關動作。電動開關蝶閥結構簡單,體種小,重量輕,啟閉方便迅速、省力、流體阻力小,流通能...
- 產品詳情
產品概述
D971X-10型電動開關對夾式蝶閥是由角行程電動執行機構和蝶閥組成,開關型電動蝶閥是直接接通電源(AC220V或其他電源等級的電源)通過開關正、反導向來完成開關動作。電動開關蝶閥結構簡單,體種小,重量輕,啟閉方便迅速、省力、流體阻力小,流通能力大,對常溫、干凈介質,可選用閥板加軟密封(橡膠圈、四氟圈)來減少泄漏(可達0.01%),高溫高壓工況可選用三偏心硬密封閥體。訂貨時要予以注明即可。它可廣泛應用于食品,環保,輕工,石油,化工,教學設備,造紙,電力等到行業的工業過程自動控制系統中。
主要零部件材料
| 零件名稱 | 材料 |
|---|---|
| 閥體 | 球墨鑄鋼、鑄鋼、合金鋼、不銹鋼 |
| 蝶板 | 灰鑄鐵、球墨鑄鋼、鑄鋼、不銹鋼及特殊材料 |
| 密封圈 | 各種橡膠、聚四氟、不銹鋼 |
| 閥桿 | 2Cr13、不銹鋼 |
| 填料 | O型圈、柔性石墨 |
設計標準
| 設計標準 | GB/T2238-1989 |
|---|---|
| 法蘭連接尺寸 | GB/T9113.1-2000;GB/T9115.1-2000;JB78 |
| 結構長度 | GB/T12221-1989 |
| 壓力試驗 | GB/T13927-2000;JB/T9092-1999 |
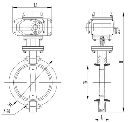
主要外形連接尺寸
| 公稱通徑DN | L | H1 | H | D1 | Z-φd | D | L1 |
|---|---|---|---|---|---|---|---|
| 50 | 43 | 452 | 80/112 | 120/125 | 4-18 | 165 | 208 |
| 65 | 46 | 475 | 88/115 | 136/145 | 4-18 | 185 | 208 |
| 80 | 46/49 | 516 | 96/120 | 160/ | 8-18 | 200 | 208 |
| 100 | 52/56 | 551 | 115/140 | 185 | 8-18 | 220 | 208 |
| 125 | 56/64 | 566 | 128/170 | 210 | 8-18 | 220 | 208 |
| 150 | 56/70 | 606 | 140/180 | 240 | 8-22 | 285 | 256 |
| 200 | 60/76 | 731 | 175/210 | 295 | 8-22 | 340 | 256 |
| 250 | 68/76 | 778 | 202/240 | 355 | 12-22 | 395/405 | 256 |
| 300 | 78/83 | 830 | 242/290 | 410 | 12-22 | 445/460 | 256 |
| 350 | 78/92 | 996 | 266/320 | 470 | 16-22 | 505-520 | 346 |
| 400 | 102 | 1058 | 298/350 | 515/525 | 16-26 | 565/580 | 346 |
產品外形結構尺寸圖:

安裝注事事項:
1、安裝前應核對蝶閥規格、壓力、溫度、耐腐性是否滿足使用要求。 應檢查各零部件是否損壞或松動。
2、本蝶閥可安裝在任意角度的管道上,應關閉安裝為宜;焊接管道法蘭時應將閥門密封口用板擋住以防止顆粒、雜物挫傷密封面,焊后取下 閥門,對閥門密封面及管道內腔進行清潔,然后再安裝固定閥門。
3、安裝時請注意閥門關閉狀態承壓方向。
4、安裝前應將密封面(兩端密封面、蝶板密封面、閥座密封面)徹底擦干凈,去掉灰塵和污物。
5、安裝前應空試蝶閥,啟閉應靈活,啟閉位置與指針指示位置相符合。
6、手動操作順時針為關,逆時針為開,指針指示到位后不準再加力啟閉閥門。
7、閥門做壓力試驗時,不準用單法蘭進行安裝試壓,采用雙法蘭安裝試壓。其試驗壓力應符合GB/T13927-92標準規定。
8、緊固螺栓時應對稱交替進行緊固,不準依次單獨緊固。
9、限位螺釘出廠前,已經調好,不準輕易調整。若配置驅動裝置為電動、氣動請閱配套驅動裝置說明書。
10、電動蝶閥出廠時已將控制機構的啟閉行程調好。為防止電源接通時方向搞錯,用戶在次接通電源前要先手動開啟到半開位置,再按點動開關,檢查指示盤方向與閥門開啟方向一致即可。
11、發現閥門啟閉失常應查明原因進行修理和排除,防止用加力方法開關閥門,造成閥門的損壞。

-

GID-50電動真空蝶閥
GID-50~400電動真空蝶閥 說明書資料介紹: GID-50~400電動真空蝶閥 : 別名真空蝶閥,閥...
-

D671F-10P氣動防爆不銹鋼蝶閥 耐腐蝕酸堿鹽對夾閥門
*** 滬工恒 公稱直徑 50cm 數量 480個 是否支持加工定制 否 是否進口 否 包裝規格 DN5...
-

Play 電動調節型快裝蝶閥 卡盤式食品衛生級開關型閥門
*** 滬工恒 公稱直徑 25cm 數量 300個 是否支持加工定制 是 是否進口 否 包裝規格 DN2...
-

GHQ971X 電動對夾式蝶閥 塑料智能型軟密封閥門
*** 滬工恒 公稱直徑 50cm 數量 500個 是否支持加工定制 是 是否進口 否 包裝規格 DN5...


