

D973H電動硬密封蝶閥PN10~PN16
產品概述 D973H電動硬密封蝶閥PN10~PN16為多層次金屬三偏心硬密封結構,采用一個U型不銹鋼密封圈,該精密的彈性密封圈與經過拋光的蝶板三維偏心接觸。電動硬密封 蝶閥 解決了傳統偏心蝶閥在啟閉0~10瞬間密封面仍處于滑動接觸摩擦的弊病,實現蝶板在開啟瞬...
產品型號:D973H-10C、D973H-16C
產品口徑(DN):50~1200(mm)
產品壓力(PN):1.0~1.6(Mpa)
更新日期:2019-10-08
24小時免費咨詢電話021-80392609
- 產品詳情
產品概述
D973H電動硬密封蝶閥PN10~PN16為多層次金屬三偏心硬密封結構,采用一個"U"型不銹鋼密封圈,該精密的彈性密封圈與經過拋光的蝶板三維偏心接觸。電動硬密封蝶閥解決了傳統偏心蝶閥在啟閉0°~10°瞬間密封面仍處于滑動接觸摩擦的弊病,實現蝶板在開啟瞬間密封面即分離,關閉接觸即密封的效果,達到延長使用壽命、密封性能的目的。因此電動硬密封蝶閥被廣泛地應用到介質溫度≤550℃的冶金、電力、石油、化工、空氣、煤氣、可燃氣體以及給排水等腐蝕性介質的管道上。電動硬密封蝶閥調節流量和截斷流體的裝置。
電動硬密封蝶閥特點
1、該蝶閥結構簡單、緊湊、重量輕、易于安裝和拆卸、維修方便。
2、本蝶閥采用不銹鋼"U"型密封圈,具有一定的彈性無論在高溫、低溫的情況下,它與蝶板均具有***良的密封性。
3、本蝶閥的三維偏心距,經過嚴格的計算,"U"型密封圈與蝶板幾乎無磨擦,使用壽命長,并具有越關越緊的功能。
4、蝶板密封面采用堆焊鈷基硬質合金,密封面耐磨損,使用壽命長。
5、本蝶閥結構,"開關"僅需轉動閥桿90°即可完成。操作靈活、方便、省力、不受介質壓力的高低影響,密封性能可靠。
6、可耐高溫、耐低溫、耐腐蝕性。
主要性能規范
| 公稱通徑DN(mm) | 50-1200 | |||
|---|---|---|---|---|
| 公稱壓力PN(MPa) | 1.0 | 1.6 | ||
| 公稱壓力PS(MPa) | 強度試驗 | 1.5 | 2.4 | |
| 密封試驗 | 1.1 | 1.76 | ||
| 材料\材料代號 | C | P | R | |
| 主要零件 | 閥體 | WCB | ZG1Cr18Ni9Ti | ZG0Cr18Ni12Mo2Ti |
| 蝶板 | WCB | ZG1Cr18Ni9Ti | ZG0Cr18Ni12Mo2Ti | |
| 閥桿 | 2Cr13 | 1Cr18Ni9Ti | 0Cr18Ni12Mo2Ti | |
| 密封圈 | 四氟 不銹鋼 | |||
| 填料 | 四氟 柔性石墨 | |||
| 適用工況 | 適用介質 | 水、蒸汽、油品 | 硝酸類 | 醋酸類 |
| 適用溫度 | -40℃~200℃(超該溫度范圍;訂貨時請注明) | |||
主要外形連接尺寸
| 公稱通徑DN(mm) | 尺寸(mm) | |||||
|---|---|---|---|---|---|---|
| L | D | D1 | H | H0 | Z-Φd | |
| 50 | 43 | 165 | 125 | 82 | 260 | 4-18 |
| 65 | 46 | 185 | 145 | 95 | 280 | 8-18 |
| 80 | 49 | 200 | 160 | 108 | 355 | 8-18 |
| 100 | 56 | 220 | 190 | 125 | 390 | 8-23 |
| 125 | 64 | 250 | 220 | 138 | 490 | 8-25 |
| 150 | 70 | 285 | 250 | 198 | 630 | 8-25 |
| 200 | 71 | 340 | 310 | 236 | 690 | 12-25 |
| 250 | 76 | 405 | 370 | 276 | 830 | 12-30 |
| 300 | 83 | 460 | 430 | 308 | 930 | 16-30 |
| 350 | 92 | 520 | 490 | 340 | 1010 | 16-34 |
| 400 | 102 | 580 | 550 | 374 | 1070 | 16-34 |
| 450 | 114 | 640 | 600 | 384 | 1140 | 20-34 |
| 500 | 127 | 715 | 660 | 448 | 1200 | 20-41 |
| 600 | 154 | 840 | 770 | 490 | 1340 | 20-41 |
| 700 | 165 | 910 | 875 | 542 | 1600 | 24-48 |
| 800 | 190 | 1025 | 990 | 607 | 1780 | 24-48 |
| 900 | 203 | 1125 | 1090 | 665 | 1920 | 28-54 |
| 1000 | 216 | 1255 | 1210 | 731 | 1960 | 28-58 |
| 1200 | 254 | 1485 | 1420 | 842 | 2360 | 32-58 |
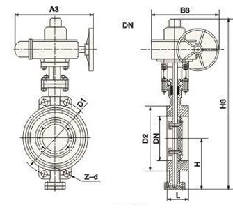
產品外形結構尺寸圖:

安裝注事事項:
1、安裝前應核對蝶閥規格、壓力、溫度、耐腐性是否滿足使用要求。 應檢查各零部件是否損壞或松動。
2、本蝶閥可安裝在任意角度的管道上,應關閉安裝為宜;焊接管道法蘭時應將閥門密封口用板擋住以防止顆粒、雜物挫傷密封面,焊后取下 閥門,對閥門密封面及管道內腔進行清潔,然后再安裝固定閥門。
3、安裝時請注意閥門關閉狀態承壓方向。
4、安裝前應將密封面(兩端密封面、蝶板密封面、閥座密封面)徹底擦干凈,去掉灰塵和污物。
5、安裝前應空試蝶閥,啟閉應靈活,啟閉位置與指針指示位置相符合。
6、手動操作順時針為關,逆時針為開,指針指示到位后不準再加力啟閉閥門。
7、閥門做壓力試驗時,不準用單法蘭進行安裝試壓,采用雙法蘭安裝試壓。其試驗壓力應符合GB/T13927-92標準規定。
8、緊固螺栓時應對稱交替進行緊固,不準依次單獨緊固。
9、限位螺釘出廠前,已經調好,不準輕易調整。若配置驅動裝置為電動、氣動請閱配套驅動裝置說明書。
10、電動蝶閥出廠時已將控制機構的啟閉行程調好。為防止電源接通時方向搞錯,用戶在次接通電源前要先手動開啟到半開位置,再按點動開關,檢查指示盤方向與閥門開啟方向一致即可。
11、發現閥門啟閉失常應查明原因進行修理和排除,防止用加力方法開關閥門,造成閥門的損壞。







