

Q61F不銹鋼三片式承插焊球閥
產品概述 Q61F不銹鋼三片式承插焊球閥屬于手動類 球閥 。球閥是用帶有圓形通道的球體作啟閉件,球體隨閥桿轉動實現啟閉動作的閥門。球閥的啟閉件是一個有孔的球體,繞垂直于通道的 軸線旋轉,從而達到啟閉通道的目的。球閥主要用于截斷或接通管道和設備介質...
- 產品詳情
產品概述
Q61F不銹鋼三片式承插焊球閥屬于手動類球閥。球閥是用帶有圓形通道的球體作啟閉件,球體隨閥桿轉動實現啟閉動作的閥門。球閥的啟閉件是一個有孔的球體,繞垂直于通道的 軸線旋轉,從而達到啟閉通道的目的。球閥主要用于截斷或接通管道和設備介質,也可用于流體的調節與控制,球閥流體阻力小,結構簡單,體積小,重量輕,緊密可靠,操作維修方便,不會引起閥門密封面的侵蝕,適用范圍廣。 廣泛用于城建、化工、冶金、石油、制藥、食品、飲料、環保等。
主要特點
1.公稱壓力:1.6-6.4MPa
2.適用溫度范圍:-20~232℃~350℃
3.適用介質:水、油、氣及某些腐蝕性液體(W.O.G)。
4.對焊標準(SW):GB12224·ANSI B16·25
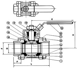
主要零件材料

| 序號 | 零件名稱 | 材質 | |
| 不銹鋼 | 碳鋼 | ||
| 1 | 閥體 | 不銹鋼CF8M | 碳鋼WCB |
| 2 | 密封圈 | 聚四氟乙烯PTFE | 聚四氟乙烯PTFE |
| 3 | 閥蓋 | 不銹鋼CF8M | 碳鋼WCB |
| 4 | 球體 | 不銹鋼SS316 | 不銹鋼SS304 |
| 5 | 閥桿 | 不銹鋼SS316 | 不銹鋼SS316 |
| 6 | 螺母 | 不銹鋼SS304 | FCD45 |
| 7 | 墊圈 | 不銹鋼SS304 | FCD45 |
| 8 | 手柄套 | 塑料 | 塑料 |
| 9 | 手柄 | 不銹鋼SS304 | 不銹鋼SS304 |
| 10 | 閥桿螺母 | 不銹鋼SS304 | B7 |
| 11 | 墊圈 | 不銹鋼SS304 | 不銹鋼SS304 |
| 12 | 填料壓蓋螺母 | 不銹鋼SS304 | FCD45 |
| 13 | 填料 | 聚四氟乙烯PTFE | 聚四氟乙烯PTFE |
| 14 | 止推墊圈 | 聚四氟乙烯PTFE | 聚四氟乙烯PTFE |
| 15 | 填料 | 聚四氟乙烯PTFE | 聚四氟乙烯PTFE |
| 16 | 螺栓 | 不銹鋼SS304 | B8 |
主要連接尺寸
| SIZE | 1/4″ | 3/8″ | 1/2″ | 3/4″ | 1″ | 1 1/4″ | 1 1/2″ | 2″ | 21/2″ | 3″ | 4″ |
| D | 11.6 | 12.7 | 15 | 20 | 25 | 32 | 38 | 50 | 65 | 80 | 100 |
| L | 68 | 68 | 72 | 82 | 90 | 112 | 120 | 145 | 185 | 210 | 268 |
| H | 50 | 50 | 60 | 64 | 71 | 78 | 86 | 95 | 130 | 148 | 173 |
| E | 100 | 100 | 130 | 130 | 165 | 165 | 190 | 190 | 250 | 250 | 280 |
| F | 14.1 | 17.6 | 21.8 | 27.5 | 34.7 | 43.0 | 49.0 | 61.5 | 77.0 | 90.0 | 115.2 |
| P | 10 | 10 | 10 | 13 | 13 | 16 | 16 | 18 | 18 | 20 | 20 |
聲明:本文中所有文字、數據、圖片均只適用于參考,Q61F不銹鋼三片式承插焊球閥性能參數、結構尺寸參數、價格等詳情,請聯系我們,電話:021-80392609。






