

QJH型外螺紋帶焊接管高壓三通球芯截止閥
產品概述 工開生產的L、T系列的QJH型外螺紋帶焊接管高壓三通球芯截止閥具有操作靈活、流阻...
- 產品詳情
產品概述
工開生產的L、T系列的QJH型外螺紋帶焊接管高壓三通球芯截止閥具有操作靈活、流阻小、換向迅速、密封性能好等特點。它適用于對氣體介質或液體介質進行分流。使用一臺三通閥可代替兩臺乃到三臺普通閥門的工作。
因此不但管路更為有效,而且也降低了投資和成本。QJH型外螺紋帶焊接管高壓三通球芯截止閥主要適用于液壓系統、化工、煉油設備三路管中的流向切換。本三通球閥可裝上電動或氣動裝置以實現搖控或自控。
工開生產的外螺紋帶焊接管高壓三通球芯截止閥可做成L型(直角形),也可做成T形如圖所示。可使用任何一個端口與側口接通。對由側口流入的介質進行分流,而進入任何一個端口。也可使進入兩端口的不同介質混合從側口流出。用同一臺三通球閥來控制旁邊系統或循環系統,也可以控制液體從不同的儲存地點流進或流出。
公稱壓力:31.5MPa
試驗壓力:40MPa
工作壓力:31.5MPa
工作溫度:t≤80℃
三通球閥流向示意圖
工開生產的L、T系列的QJH型外螺紋帶焊接管高壓三通球芯截止閥具有操作靈活、流阻小、換向迅速、密封性能好等特點。它適用于對氣體介質或液體介質進行分流。使用一臺三通閥可代替兩臺乃到三臺普通閥門的工作。
因此不但管路更為有效,而且也降低了投資和成本。QJH型外螺紋帶焊接管高壓三通球芯截止閥主要適用于液壓系統、化工、煉油設備三路管中的流向切換。本三通球閥可裝上電動或氣動裝置以實現搖控或自控。
工開生產的外螺紋帶焊接管高壓三通球芯截止閥可做成L型(直角形),也可做成T形如圖所示。可使用任何一個端口與側口接通。對由側口流入的介質進行分流,而進入任何一個端口。也可使進入兩端口的不同介質混合從側口流出。用同一臺三通球閥來控制旁邊系統或循環系統,也可以控制液體從不同的儲存地點流進或流出。
公稱壓力:31.5MPa
試驗壓力:40MPa
工作壓力:31.5MPa
工作溫度:t≤80℃
三通球閥流向示意圖

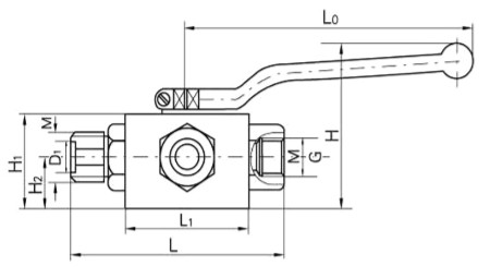
主要外形結構尺寸

| 型號 | M | L | L1 | L2 | L0 | H1 | H2 | H | 4-Φd | D1 |
| QJH-T6WL | 16×1.5 | 110 | 70 | 55 | 170 | 40 | 22 | 80 | 7 | 13 |
| QJH-T10WL | 27×1.5 | 125 | 80 | 65 | 170 | 50 | 27 | 90 | 7 | 19 |
| QJH-T15WL | 30×1.5 | 160 | 100 | 80 | 170 | 60 | 31 | 100 | 9 | 24 |
| QJH-T20WL | 36×2 | 166 | 113 | 85 | 230 | 67 | 36 | 110 | 9 | 30 |
| QJH-T25WL | 42×2 | 188 | 118 | 95 | 230 | 75 | 40 | 120 | 9 | 32 |
| QJH-T32WL | 52×2 | 188 | 118 | 95 | 250 | 75 | 40 | 125 | 9 | 40 |
| QJH-T40WL | 60×2 | 188 | 118 | 95 | 250 | 75 | 40 | 125 | 9 | 50 |
聲明:本文中所有文字、數據、圖片均只適用于參考,QJH型外螺紋帶焊接管高壓三通球芯截止閥性能參數、結構尺寸參數、價格等詳情,請聯系我們,電話:021-80392609。






