

外螺紋船用高壓液壓球閥CJZQ
產品概述 外螺紋船用 高壓液壓球閥 CJZQ適用于液壓系統管路中,作接通和切斷用,主閥采用***質鍛鋼件,表面進行鍍鉻處理,外表美觀,操作方便,密封性能可靠。 公稱壓力:31.5MPa 試驗壓力:48MPa 工作溫度:-20~+80℃ (如需高溫球閥訂貨時請說明) 適用介質...
- 產品詳情
產品概述
外螺紋船用高壓液壓球閥CJZQ適用于液壓系統管路中,作接通和切斷用,主閥采用鍛鋼件,表面進行鍍鉻處理,外表美觀,操作方便,密封性能可靠。
公稱壓力:31.5MPa
試驗壓力:48MPa
工作溫度:-20~+80℃ (如需高溫球閥訂貨時請說明)
適用介質:礦物油、水、乙二醉、其它混合液體
主要零部件材質
注:本球閥桉照JB984 77標準外螺紋。M配用JB981 77標準螺母和JB2099 77標準接管,以及GB1235-76標準0形密封圈,(本閥門可設計成錐密封形式)
外螺紋船用高壓液壓球閥CJZQ適用于液壓系統管路中,作接通和切斷用,主閥采用鍛鋼件,表面進行鍍鉻處理,外表美觀,操作方便,密封性能可靠。
公稱壓力:31.5MPa
試驗壓力:48MPa
工作溫度:-20~+80℃ (如需高溫球閥訂貨時請說明)
適用介質:礦物油、水、乙二醉、其它混合液體
主要零部件材質
| 零件名稱 | 閥主體 | 連接體 | 球 | 閥桿 | 密封圈 | O形圈 |
| 材料 | 35 | 35 | 2Cr13 | 2Cr13 | 尼龍1010 | I-4 |
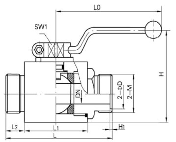
主要外形連接尺寸
| 型號(DN} | 2-M | L | L1 | L2 | 2-ΦD | H1 | SW1 | H | L0 |
| CJZQ-H6L | M16×1.5 | 78 | 40 | 12 | 11 | 1.4 | 9 | 65 | 120 |
| CJZQ-H8L | M22×1.5 | 78 | 40 | 13 | 16 | 1.8 | 9 | 75 | 120 |
| CJ2Q-H10L | M27×1.5 | 100 | 45 | 15 | 20 | 1.8 | 9 | 75 | 140 |
| CJZQ-H15L | M30×1.5 | 105 | 48 | 16 | 24 | 1.8 | 9 | 78 | 140 |
| CJZQ-H20L | M36×2 | 121 | 60 | 18 | 30 | 2.4 | 11 | 68 | 160 |
| CJZQ-H25L | M42×2 | 135 | 64 | 20 | 35 | 2.4 | 14 | 98 | 185 |
| CJZQ-H32L | M52×2 | 160 | 76 | 22 | 40 | 2.4 | 14 | 116 | 185 |
| CJZQ-F40L | M60×2 | 170 | 84 | 24 | 45 | 2.4 | 17 | 140 | 280 |
| CJZQ-F50L | M72×2 | 186 | 108 | 26 | 55 | 2.4 | 17 | 170 | 300 |
聲明:本文中所有文字、數據、圖片均只適用于參考,外螺紋船用高壓液壓球閥CJZQ性能參數、結構尺寸參數、價格等詳情,請聯系我們,電話:021-80392609。







