

DZLM電動二通溫度調節閥
產品特點: DZLM電動二通溫度閥及二通閥產品特點 1.執行器選用鑄鋁支架及塑料外殼,體積...
- 產品詳情
產品特點:
DZLM電動二通溫度閥及二通閥產品特點
1.執行器選用鑄鋁支架及塑料外殼,體積小、重量輕。
2.選用永磁同步電機,并帶有磁滯離合機構,具有可靠的自我保護功能。
3.適合多種控制信號:增量(浮點)、電壓(0~10V)、電流(4~20mA)。
4.具有0~10V或4~20mA反饋信號(選配)。
5.傳動齒輪采用金屬齒輪,大大提高了驅動器的使用壽命。
6.功耗低、輸出力大、噪音小。
7.閥體有鑄銅、鑄鐵、球墨鑄鐵多種材質可供選擇,以適合不同工作介質及溫度的要求。
8.閥體有螺紋連接和法蘭連接兩種,安裝方便。
9.閥體結構形式有:兩通閥(單座)、兩通平衡閥(平衡式)。
工作原理:

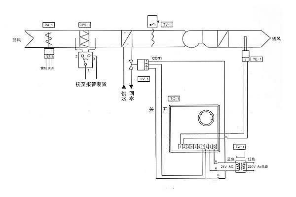
DZLM電動二通溫度閥及二通閥工作原理 本系統適用于空調系統的新風機組冬、夏季溫度控制。如下圖所示,由溫度傳感器TE-1,比例積分溫度控制器TC一1和電動調節閥TV一1組成送風溫度控制系統,安裝在送風管道的TE一1,把檢測到的溫度信號傳送到TC一1,由TC一1將TE一1的檢測值與設定值不斷比較,同時不斷地輸出信號,控制TV一1的開度連接可調,終使TE一1測量的環境溫度保持在設定的溫度范圍內。
空氣壓差開關DPS一1是用來檢測過濾網的透氣情況,過濾網越臟,透氣率越低,其兩側的壓力差越大。當壓力差超過DPS一1的設定值時,微動開關運作,發出報警信號。
當盤管后的溫度低于某限值時,低溫保護開關TS一1切斷送風機的電源,從而
使新風風閥關閉,防止盤管內的水結冰,漲裂盤管。
SW一1為內置冷/暖運行狀態的轉換。
零部件說明:
| 代號 | 型號 | 說明 |
| TE-1 | TSC-8212-103B34 | 風管式溫度傳感器 |
| TC-1 | TC-8312-11K | 比例積分溫度控制器 0-80 ℃ |
| TV-1 | DZLM | 電動調節閥 |
| DA-1 | AM24/AM220 | 風閥驅動器 開/關 |
| DPS-1 | P33AB | 空氣壓差 開/關 |
| TX-1 | TR40 | 變壓器 220/24VAC 40VA |
| TS-1 | A11D | 低溫斷路恒溫器,帶手動復位按鈕 |
| SW-1 | --- | 遠程冬季轉換開關 |
操作及注意事項:
DZLM電動二通溫度閥及二通閥操作及注意事項 馬達罩殼防止滴水滲入。當閥裝于水平管道時,安裝位置與垂直平面夾角不超過85°,如圖2所示。當閥門裝在垂直管道上時,馬達罩殼防止滴水滲入。撥動手動操作桿時應緩慢移動,當手動桿沿箭頭指向慢慢移動并按進缺口內卡住,閥門處于常開關態,每當電流通過電動閥時,手動桿會再設定到自動位置。
-

ZZWPE型自力式電控溫度調節閥PN16~PN40
產品概述: ZZWPE自力式電控溫度調節閥(適用于較大口徑及導熱油控制),該閥大的特點只...
-

V230W型自力式溫度調節閥PN16~PN40
產品慨述: V230W型PN16~PN40自力式溫度調節閥主要由控制閥及溫控器組成,是一種無需...
-

V130D05T17/V131D05T17自力式流量、溫度組合調節閥
產品概述: V130D05T17/V131D05T17 自力式流量、溫度組合調節閥,由一個帶有設定流量...
-

V130D05T06自力式流量,溫度組合調節閥
產品概述: V130D05T06/V131D05T06、V130D05T17/V131D05T17 自力式流量、溫度組合 調...


