

24V、12V電動蝶閥_灑水車/消防車用閥
產品概述 24V、12V電動蝶閥是一種用于灑水車或消防車里控制開關的閥門,安裝在灑水車或消防車管道之中,主要用于裝卸和卸荷介質時的接通和截斷,適用于灑水車扥專用汽車之上。采用對夾式連接方式,用雙頭螺栓將閥門夾在兩管道法蘭之間,具有占用空間小,操作...
產品型號:D971X-1.6P
產品口徑(DN):DN50-DN500(mm)
產品壓力(PN):1.6~2.5Mpa(Mpa)
更新日期:2019-12-06
免費詢價
24小時免費咨詢電話021-80392609
- 產品詳情
產品概述
24V、12V電動蝶閥是一種用于灑水車或消防車里控制開關的閥門,安裝在灑水車或消防車管道之中,主要用于裝卸和卸荷介質時的接通和截斷,適用于灑水車扥專用汽車之上。采用對夾式連接方式,用雙頭螺栓將閥門夾在兩管道法蘭之間,具有占用空間小,操作方便等特點。蝶閥不僅結構簡單、體積小、重里輕、材料耗用省,安裝尺寸小,而且驅動力矩小,操作簡便、迅速,并且還可同時具有良好的流量調節功能和關閉密封特性,是近十幾年來發展快的閥門品種之一。
主要特點
24V、12V電動蝶閥結構緊湊,開關輕便,密封可靠,通過24V的電源電壓即可控制閥門運轉,在蝶閥閥體圓柱形通道內,圓盤形蝶板繞著軸線旋轉,旋轉角度為0°~90°之間,旋轉到90°時,閥門則為全開狀態。24V、12V防水電動蝶閥密封材料耐老化、耐腐蝕,使用壽命長,且密封件可以更換、維修方便,降低成本,是灑水車或消防車的理想配套產品。
24V、12V電動蝶閥是一種用于灑水車或消防車里控制開關的閥門,安裝在灑水車或消防車管道之中,主要用于裝卸和卸荷介質時的接通和截斷,適用于灑水車扥專用汽車之上。采用對夾式連接方式,用雙頭螺栓將閥門夾在兩管道法蘭之間,具有占用空間小,操作方便等特點。蝶閥不僅結構簡單、體積小、重里輕、材料耗用省,安裝尺寸小,而且驅動力矩小,操作簡便、迅速,并且還可同時具有良好的流量調節功能和關閉密封特性,是近十幾年來發展快的閥門品種之一。
主要特點
24V、12V電動蝶閥結構緊湊,開關輕便,密封可靠,通過24V的電源電壓即可控制閥門運轉,在蝶閥閥體圓柱形通道內,圓盤形蝶板繞著軸線旋轉,旋轉角度為0°~90°之間,旋轉到90°時,閥門則為全開狀態。24V、12V防水電動蝶閥密封材料耐老化、耐腐蝕,使用壽命長,且密封件可以更換、維修方便,降低成本,是灑水車或消防車的理想配套產品。
主要技術參數
| 公稱通徑DN(mm) | 50~2000 | 50~1600 | |
| 公稱壓力PN(MPa) | 0.6 | 1 | 1.6 |
| 密封試驗(MPa) | 0.66 | 1.1 | 1.76 |
| 強度試驗(MPa) | 0.9 | 1.5 | 2.4 |
| 適用溫度 | 丁腈橡膠:-40℃~90℃氟橡膠:-20℃~200℃ | ||
| 適用介質 | 水、空氣、天然氣、油品及弱腐蝕性流體 | ||
| 泄漏率 | 符合GB/T13927-92標準 | ||
| 驅動方式 | 蝸輪傳動、電動、氣動、液動 | ||
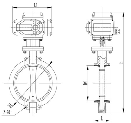
主要外形連接尺寸
| 公稱通徑DN | L | H1 | H | D1 | Z-φd | D | L1 |
|---|---|---|---|---|---|---|---|
| 50 | 43 | 452 | 80/112 | 120/125 | 4-18 | 165 | 208 |
| 65 | 46 | 475 | 88/115 | 136/145 | 4-18 | 185 | 208 |
| 80 | 46/49 | 516 | 96/120 | 160/ | 8-18 | 200 | 208 |
| 100 | 52/56 | 551 | 115/140 | 185 | 8-18 | 220 | 208 |
| 125 | 56/64 | 566 | 128/170 | 210 | 8-18 | 220 | 208 |
| 150 | 56/70 | 606 | 140/180 | 240 | 8-22 | 285 | 256 |
| 200 | 60/76 | 731 | 175/210 | 295 | 8-22 | 340 | 256 |
| 250 | 68/76 | 778 | 202/240 | 355 | 12-22 | 395/405 | 256 |
| 300 | 78/83 | 830 | 242/290 | 410 | 12-22 | 445/460 | 256 |
| 350 | 78/92 | 996 | 266/320 | 470 | 16-22 | 505-520 | 346 |
| 400 | 102 | 1058 | 298/350 | 515/525 | 16-26 | 565/580 | 346 |


聲明:本文中所有文字、數據、圖片均只適用于參考,24V、12V電動蝶閥_灑水車/消防車用閥性能參數、結構尺寸參數、價格等詳情,請聯系我們,電話:021-80392609。






