

ZZYP型不銹鋼自力式壓力調節閥PN16~PN64
產品概述 ZZYP型不銹鋼自力式壓力調節閥PN16~PN64無需外加能源,利用被調介質自身為動力源,引入執行機構控制閥芯位置,改變兩端的壓差和流量,使閥前(或閥后)壓力穩定。具有動作靈敏,密封性好,壓力設定點波動小等***點,廣泛應用于氣體、液體及蒸汽介...
- 產品詳情
產品概述
ZZYP型不銹鋼自力式壓力調節閥PN16~PN64無需外加能源,利用被調介質自身為動力源,引入執行機構控制閥芯位置,改變兩端的壓差和流量,使閥前(或閥后)壓力穩定。具有動作靈敏,密封性好,壓力設定點波動小等***點,廣泛應用于氣體、液體及蒸汽介質減壓穩壓或泄壓穩壓的自動控制。本系列產品有單座(ZZYP)、套筒(ZZYM)、雙座(ZZYN)三種結構;執行機構有薄膜式、活塞式二種;作用型式有減壓用閥后壓力調節(B型)和泄壓用閥前壓力調節(K型)。產品公稱壓力等級有PN16、40、64;閥體口徑范圍DN20~300;泄漏量等級有II級、Ⅳ級和VI級三檔;流量特性為快開;壓力分段調節從15~2500kPa。可按需要組合滿足用戶工況要求。
產品特點
1.自力式壓力調節閥無需外加能源,能在無電無氣的場所工作,既方便又節約了能源。2.壓力設定值在運行期間可連續設定。
3.壓力分段范圍細且互相交叉,調節精度高。
4.對閥后壓力調節,閥前壓力與閥后壓力之比為10:1~10:8。
5.橡膠膜片式檢測,執行機構檢測精度高、動作靈敏。
6.采用壓力平衡機構,使調節閥反應靈敏、控制精確。
主要零部件材料
| 零件名稱 | 材料 |
|---|---|
| 閥體 | ZG1Cr18Ni9Ti ( CF8 ) , ZGCr18Ni12Mo2Ti ( CF8M ) |
| 閥芯 | 1Cr18Ni9Ti、Cr18Ni12Mo2Ti |
| 閥座 | 1Cr18Ni9Ti、Cr18Ni12Mo2Ti |
| 閥桿 | 1Cr18Ni9Ti、Cr18Ni12Mo2Ti |
| 橡膠膜片 | 丁晴橡膠、乙炳橡膠、氟橡膠、耐油橡膠 |
| 膜蓋 | A3鋼涂四氟乙烯 |
| 填料 | 聚四氟乙烯、柔性石墨 |
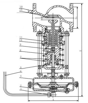
產品結構圖
閥后式
| 1.進液接頭 | 2.排氣塞 | 3.檢測機構 |
| 4.進液管 | 5.壓蓋螺釘 | 7.彈簧 |
| 8.閥桿 | 9.閥芯 | 10.波紋管 |
| 11.壓力調節盤 | 15.閥座 | 16.閥體 |
閥前式

| 1.進液接頭 | 2.排氣塞 | 3.檢測機構 |
| 4.進液管 | 5.壓蓋螺釘 | 7.彈簧 |
| 8.閥桿 | 9.閥芯 | 10.波紋管 |
| 11.壓力調節盤 | 15.閥座 | 16.閥體 |
產品技術參數
| 公稱通徑 DN(mm) | 20 | 25 | 32 | 40 | 50 | 65 | 80 | 100 | 125 | 150 | 200 | 250 | 300 | ||||||||||
| 額定流量系數 Kv | 7 | 11 | 20 | 30 | 48 | 75 | 120 | 190 | 300 | 480 | 760 | 1100 | 1750 | ||||||||||
| 額定行程 (mm) | 8 | 10 | 14 | 20 | 25 | 40 | 50 | 60 | 70 | ||||||||||||||
| 公稱壓力 PN(MPa) | 1.6 、 4.0 、 6.4 | ||||||||||||||||||||||
| 壓力調節范圍 (kPa) |
15 ~ 50 40 ~ 80 60 ~ 100 80 ~ 140 120 ~ 180 160 ~ 220 200 ~ 260 |
||||||||||||||||||||||
| 流量特性 | 快開 | ||||||||||||||||||||||
| 調節精度 ( % ) | ± 5 | ||||||||||||||||||||||
| 使用溫度 ( ℃ ) | ≤ 350 | ||||||||||||||||||||||
|
允許 泄漏量 |
硬密封 (l/h) | 單座:≤ 10 -4 閥額定容量 (IV 級 ) ;雙座、套筒≤ 5X10 -3 閥額定容量 (II 級 ) | |||||||||||||||||||||
| 軟密封 (ml/h) | 0.15 | 0.30 | 0.45 | 0.60 | 0.90 | 1.7 | 4.0 | 6.75 | 11.10 | 16.0 | |||||||||||||
| 減壓比 | 10 | ||||||||||||||||||||||
| 小 | 1.25 | ||||||||||||||||||||||
產品外形尺寸
| 公稱通徑 DN | 20 | 25 | 32 | 40 | 50 | 65 | 80 | 100 | 125 | 150 | 200 | 250 | 300 | ||
| 法蘭端面距 L | 150 | 160 | 180 | 200 | 230 | 290 | 310 | 350 | 400 | 480 | 600 | 730 | 850 | ||
|
壓 力 調 節 范 圍 kPa |
15-140 | H | 475 | 520 | 540 | 710 | 780 | 840 | 880 | 915 | 940 | 1000 | |||
| A | 280 | 308 | |||||||||||||
| 280-500 | H | 455 | 500 | 520 | 690 | 760 | 800 | 870 | 880 | 900 | 950 | ||||
| A | 230 | ||||||||||||||
| 120-300 | H | 450 | 490 | 510 | 680 | 750 | 790 | 860 | 870 | 890 | 940 | ||||
| A | 176 | 194 | 280 | ||||||||||||
| 480-1000 | H | 445 | 480 | 670 | 740 | 780 | 850 | 860 | 880 | 930 | |||||
| A | 176 | 194 | 280 | ||||||||||||
| 600-1500 | H | 445 | 570 | 600 | 820 | 890 | 950 | 1000 | 1100 | 1200 | |||||
| A | 85 | 96 | |||||||||||||
| 1000-2500 | H | 445 | 570 | 600 | 820 | 890 | 950 | 1000 | 1100 | 1200 | |||||
| A | 85 | 96 | |||||||||||||
| 重量 kg | 26 | 37 | 42 | 72 | 90 | 114 | 130 | 144 | 180 | 200 | 250 | ||||
| 導壓管接頭螺紋 | M16X1.5 | ||||||||||||||
用戶訂貨須知
訂貨時請用戶提供以下資料1.調節閥名稱、型號;
2.公稱壓力(MPa) ;
3.公稱通徑(mm) ;
4.額定流量系數(Kv);
5.固有流量特性;
6.介質名稱;
7.工作溫度及范圍 ;
8.整機作用方式;
9.壓力設定點及調節范圍 ;
10.閥體、閥內件及填料材質;
11.所配附件;
12.其它特殊要求 ;
調節閥安裝注意事項
調節閥安裝前的檢驗;在閥門操作的各個過程中,即安裝、試驗、操作和維修過程中的人員和設備的;在控制回路中作為終控制元件的調節閥性能;若需手動操作時, 要滿足系統有效手動操作的安裝要求;維修調節閥的可接近性;維修、操作和安裝費用;由于機械或環境的需要,迫使閥門采取保護措施。
安裝前的檢驗
調節閥運到場地時,應立即進行檢查,以確定是否符合規定,特別是安裝尺寸、材質、附件等。在此階段,凡是在裝運和裝卸過程中造成的任何明顯機械損傷,應及時處理,為保證調節閥在開車時能正常動作,使系統運行,還應檢查如下項目:
(1)外觀檢查 (2)始終點偏差
(3)全行程偏差 (4)基本誤差
(5)正反行程偏差 (6)泄漏量
聲明:本文中所有文字、數據、圖片均只適用于參考,ZZYP型不銹鋼自力式壓力調節閥PN16~PN64性能參數、結構尺寸參數、價格等詳情,請聯系我們,電話:021-80392609。






