

F43X手動扇形眼鏡閥
產品概述 F43X手動扇形 眼鏡閥 又稱盲板閥、翻板閥、扇形閥,系GB6222《工業企業煤氣規程》要求的可靠切斷氣體介質的設備。廣泛應用于工礦企業、市政、環保等行業的氣體介質管理系統中,尤其適用于有害、有毒、易燃氣體的***切斷。亦適宜做管道終端的盲...
- 產品詳情
產品概述
F43X手動扇形眼鏡閥又稱盲板閥、翻板閥、扇形閥,系GB6222《工業企業煤氣規程》要求的可靠切斷氣體介質的設備。廣泛應用于工礦企業、市政、環保等行業的氣體介質管理系統中,尤其適用于有害、有毒、易燃氣體的切斷。亦適宜做管道終端的盲板,以縮短檢修時間或方便連接新的管路。該系列扇形眼鏡閥與其他在管路中做切斷的閥門設備相比,具有結構新穎、重量輕、體積小、操作方便、動作迅速、切斷氣體性能可靠的特點。
特點及工作原理
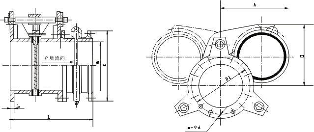
F43X手動扇形眼鏡閥由左閥體、右閥體、中閥體、連接螺桿(三根)組成。用扳手旋轉連接螺桿,使左右閥體完成夾緊和松開動作,利用閘板上盲板和通孔板的位置變換達到啟閉目的。本閥具有結構簡單,重量輕,性能可靠,操作方便等特點。本閥為短結構系列,橡膠密封圈分別安裝在左、右閥體上。主要性能參數
| 公稱壓力MPa | 0.25 | 0.15 | 0.10 | 0.05 |
| 密封試驗壓力MPa | 0.275 | 0.165 | 0.11 | 0.055 |
| 強度試驗壓力MPa | 0.40 | 0.225 | 0.15 | 0.075 |
| 適用溫度℃ | 丁腈橡膠 | 硅橡膠 | 氟橡膠 | |
| <120 | <250 | <300 | ||
| 適用介質 | 煤氣等有毒、有害、易燃氣體 | |||
| 采用標準 | 連接法蘭尺寸符合JB/T81-94標準,檢測方法符合GB/T13927-92標準 | |||
| 主要零部件材料 | 閥體、閘板為碳鋼;連接軸、伸縮器為碳鋼或不銹鋼;密封圈為橡膠 | |||
產品外形結構尺寸
| DN | D | D1 | b | n-φd | 短系列 L |
| 100 | 210 | 170 | 12 | 4-φ18 | 210 |
| 150 | 265 | 225 | 14 | 8-φ18 | 210 |
| 200 | 320 | 280 | 14 | 8-φ18 | 230 |
| 250 | 375 | 335 | 14 | 12-φ18 | 250 |
| 300 | 440 | 395 | 16 | 12-φ22 | 270 |
| 350 | 490 | 445 | 16 | 12-φ22 | 290 |
| 400 | 540 | 495 | 16 | 16-φ22 | 310 |
| 450 | 595 | 550 | 20 | 16-φ22 | 330 |
| 500 | 645 | 600 | 20 | 20-φ22 | 350 |
| 600 | 755 | 705 | 20 | 20-φ26 | 370 |
| 700 | 860 | 810 | 20 | 24-φ26 | 390 |
| 800 | 975 | 920 | 22 | 24-φ30 | 410 |
| 900 | 1075 | 1020 | 22 | 24-φ30 | 430 |
| 1000 | 1175 | 1120 | 22 | 28-φ30 | 450 |
| 1200 | 1375 | 1320 | 22 | 32-φ30 | 470 |
| 1400 | 1575 | 1520 | 26 | 36-φ30 | 490 |
| 1500 | 1675 | 1620 | 26 | 36-φ30 | 510 |
| 1600 | 1790 | 1730 | 26 | 40-φ30 | 530 |
| 1800 | 1990 | 1930 | 26 | 44-φ30 | 550 |
| 2000 | 2190 | 2130 | 26 | 48-φ30 | 570 |
安裝注意事項
手動扇形眼鏡閥在開啟時左、右閥體應有16-20mm的軸向位移。因此,管路在閥門啟閉過程中也應具有滿足上述位移的彈性變形或位移,建議按下述形式安裝。扇形眼鏡閥在能夠保證管道外力不作用在閥門上的情況下,對安裝位置不做規定。操作方法及注意事項
1、用扳手依次逆時針旋動三個連接螺桿,使閥體與閘板分離并有均衡,適量的間隙(16mm左右)。確認后轉動閘板到工作位置,反向旋動連接螺桿,使閘板與閥體緊密接觸,達到密封的目的。2、橡膠密封圈不得與閥體粘連或發生硬摩擦,以防止損壞橡膠密封圈,破壞閥門的工作性能。
3、左右閥體松開時,介質要外溢,為確保,應在關閉時,請先關閉眼鏡閥前的煤氣蝶閥,同時請采用通風和其它能保證的措施。
4、F43X和F43AX手動扇形眼鏡閥在打開左、右閥體時,應注意閘板會自動掉下,操作時禁止人站在閘板正面,以免發生危險。
產品外形結構尺寸圖

聲明:本文中所有文字、數據、圖片均只適用于參考,F43X手動扇形眼鏡閥性能參數、結構尺寸參數、價格等詳情,請聯系我們,電話:021-80392609。





