

GB/T598-1980船用外螺紋青銅填料旋塞閥
GB/T598-1980船用外螺紋青銅填料旋塞閥 Marine bronze male thread packed cocks 性能規范 Technical Data 船用外螺紋青銅填料旋塞閥 性能規范 公稱壓力 Nominal Pressure (MPa) 公稱通徑 Nominal Diameter (mm) 適用介質 Applicable medium 0.1 32 海水、淡...
產品型號:GB/T598-1980
產品口徑(DN):6~32(mm)
產品壓力(PN):0.1~2.5Mpa(Mpa)
更新日期:2016-05-13
免費詢價
24小時免費咨詢電話021-80392609
- 產品詳情
GB/T598-1980船用外螺紋青銅填料旋塞閥
Marine bronze male thread packed cocks
性能規范 Technical Data
主要零部件材質Materials of Main Parts
Marine bronze male thread packed cocks
性能規范 Technical Data
|
公稱壓力 Nominal Pressure (MPa) |
公稱通徑 Nominal Diameter (mm) |
適用介質 Applicable medium |
|---|---|---|
| 0.1 | 32 | 海水、淡水、滑油、燃油 Sea water,Fresh water.Lubricanting oil,Fuel oil. |
| 1.6 | 20,25 | |
| 2.5 | 6,10,15 |
主要零部件材質Materials of Main Parts
| 零件名稱Parts name | 材料Material | |
|---|---|---|
| 名稱Name | 牌號Marks | |
| 閥體、閥芯Body、Core | 鑄錫青銅 Cast Tin Bronze | ZCuSn10Zn2 |
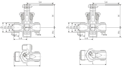
基本尺寸Dimensions

| 公稱通徑 |
結構尺寸 Structure dimension |
螵紋接頭 Thread joint |
手柄 Handle |
參考重量 Weight (kg) |
|||||||
|---|---|---|---|---|---|---|---|---|---|---|---|
| DN(mm) | L | H1 | H | D | D1 | D2 | I | Lo | A型 | T型 | L型 |
| 6 | 70 | 20 | 60 | M22x1.5 | - | - | 12 | 100 | 0.42 | 0.48 | 0.49 |
| 10 | 78 | 27 | 72 | M27x1.5 | - | - | 15 | 110 | 0.69 | 0.71 | 0.72 |
| 15 | 92 | 37 | 92 | M36x2 | - | - | 16 | 115 | 1.07 | 1.24 | 1.26 |
| 20 | 98 | 40 | 99 | M36x2 | 33 | 24 | 20 | 125 | 1.52 | 1.70 | 1.72 |
| 25 | 106 | 42 | 108 | M42x2 | 39 | 29 | 20 | 140 | 1.90 | 2.22 | 2.24 |
| 32 | 126 | 49 | 120 | M48x2 | 45 | 36 | 20 | 160 | 3.47 | 3.79 | 3.89 |
聲明:本文中所有文字、數據、圖片均只適用于參考,GB/T598-1980船用外螺紋青銅填料旋塞閥性能參數、結構尺寸參數、價格等詳情,請聯系我們,電話:021-80392609。
-

GB/T598-1980船用外螺紋青銅填料旋塞閥
GB/T598-1980船用外螺紋青銅填料旋塞閥 Marine bronze male thread packed cocks 性能...
-

船用法蘭青銅填料直通型旋塞閥
GB/T593-1993船用法蘭青銅填料旋塞閥 Marine bronze flanged packed cocks 性能規范 T...
-

船用鑄鋼吸入通海閥
GB/T2029-1980船用鑄鋼吸入通海閥 Marine cast steel suction sea valves 性能規范 Te...
-

船用法蘭鑄鐵填料直通型旋塞閥
GB/T593-1993船用法蘭鑄鐵填料旋塞閥 Marine cast Iron flanged packed cocks 性能規...


